徐老师的博客 | 网站免责声明
为了浏览本网站(徐老师的博客,以下简称本网站),访问者应当关注、理解并接受本站作出的下述免责声明:
1、本网站所提供的信息,只供教育教学参考之用。
2、本网站及其会员一概毋须以任何方式就任何信息传递或传送的失误、不准确或错误对用户或任何其他人士负任何直接或间接的责任。
3、在法律允许的范围内,本网站在此声明,不承担用户或任何人士就使用或未能使用本网站所提供的信息或任何链接或项目所引致的任何直接、间接、附带、从属、特殊、惩罚性或惩戒性的损害赔偿。
4、访问者在从事与本网站相关的所有行为(包括但不限于访问浏览、利用、转载、宣传介绍)时,必须以善意且谨慎的态度行事;访问者不得故意或者过失的损害本网站的各类合法权益,不得利用本网站以任何方式直接或者间接的从事违反中华人民共和国法律、国际公约以及社会公德的行为。对于访问者利用本网站提供的信息而作出的任何决策、决定以及其后果,本网站不承担任何责任
5、本网站图片,文字之类版权,本网站无法鉴别所上传图片或文字的知识版权,如果侵犯,请及时通知我们,本网站将在第一时间及时删除。
6、凡以任何方式登录本网站或直接、间接使用本网站资料者,视为自愿接受本网站声明的约束。
徐老师的博客
徐老师的博客 | 网站导航
不变,内阻
为
,定值电阻
为
,滑动变阻器
的最大阻值为
,求:
消耗的功率最大?此时
消耗的最大功率是多少?
消耗的功率最大?此时
消耗的最大功率是多少?

___________
(填“>”“<”或“=”)。
图像如图,由图像可知,测得的电动势
___________V,内电阻
___________
。
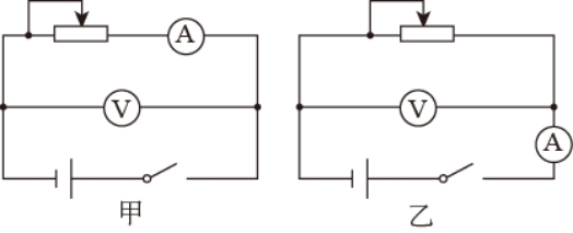
电阻率来分析其材料的性质。给定的实验器材有:螺旋测微器,多用电表,电源(电动势为3V、内阻约为0.5Ω),电流表A(量程为
,内阻约为0.1Ω),电压表V(量程为
,内阻约为3kΩ)、滑动变阻器R(最大阻值为5Ω,额定电流为1A),开关,导线若干。
(该值接近多次测量的平均值)。
”倍率的电阻挡测量时,发现多用电表指针偏转过大,因此需选择__________倍率(填“
”“
”或“
”)的电阻挡,欧姆调零后再进行测量,多用电表的示数如图2所示,测量结果为__________Ω。
图线如图4所示。已知实验时所用待测金属丝接入电路部分的长度为
。
(保留两位有效数字)。
时的电阻率如下:分析可知,该金属丝材料最有可能是上述中的__________(填选项序号)。
铜


角直线做匀加速运动,加速度大小为a=g,整个过程重物下降的高度为H,则在此过程中( )
合外力对物体做功
mgH
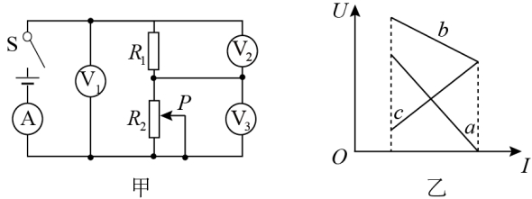
为定值电阻,
为滑动变阻器,闭合开关S,在滑动变阻器的滑动触头P向上滑动的过程中,四个理想电表的示数都发生了变化。图乙中的三条图线分别表示了三个电压表示数的变化情况。则下列说法错误的是( )
的示数的变化情况
的示数的变化情况
示数的变化量
和电流表A示数的变化量
的比值的绝对值变小
示数的变化量
和电流表A示数的变化量
的比值的绝对值不变




B. ρ=
C. ρ=
D. ρ=
