编号:20260420213156231392
学科题库 0 views
学科题库 0 views
编号:20260420213038175958
学科题库 0 views
学科题库 0 views
编号:20260420213036686977
学科题库 0 views
学科题库 0 views
徐老师的博客 | 网站免责声明
为了浏览本网站(徐老师的博客,以下简称本网站),访问者应当关注、理解并接受本站作出的下述免责声明:
1、本网站所提供的信息,只供教育教学参考之用。
2、本网站及其会员一概毋须以任何方式就任何信息传递或传送的失误、不准确或错误对用户或任何其他人士负任何直接或间接的责任。
3、在法律允许的范围内,本网站在此声明,不承担用户或任何人士就使用或未能使用本网站所提供的信息或任何链接或项目所引致的任何直接、间接、附带、从属、特殊、惩罚性或惩戒性的损害赔偿。
4、访问者在从事与本网站相关的所有行为(包括但不限于访问浏览、利用、转载、宣传介绍)时,必须以善意且谨慎的态度行事;访问者不得故意或者过失的损害本网站的各类合法权益,不得利用本网站以任何方式直接或者间接的从事违反中华人民共和国法律、国际公约以及社会公德的行为。对于访问者利用本网站提供的信息而作出的任何决策、决定以及其后果,本网站不承担任何责任
5、本网站图片,文字之类版权,本网站无法鉴别所上传图片或文字的知识版权,如果侵犯,请及时通知我们,本网站将在第一时间及时删除。
6、凡以任何方式登录本网站或直接、间接使用本网站资料者,视为自愿接受本网站声明的约束。
徐老师的博客
徐老师的博客 | 网站导航
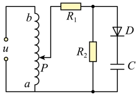
sin50πt(V),电阻R1=200Ω,R2=300Ω,D为理想二极管,电容器的电容为2000μF,则下列说法中正确的是( )

sin100πt(V),下列说法中正确的是( )

,L为电感,C为电容,对该时刻分析,下列说法正确的是( )
时间内,电路中的平均电流为( )
B.
C.
D. 


B. 平面
C. 平面
D. 平面
、
、
,电阻可忽略的电感线圈L,D为理想二极管,下列说法正确的是( )
立即变亮,
、
逐渐变亮
立即变亮,
、
逐渐变亮
立即熄灭,
、
逐渐熄灭
立即熄灭,
、
先闪亮一下然后逐渐熄灭
的粒子P,粒子的初速度均为
。在
平面内的第一象限和第四象限加一沿y轴正方向的匀强电场
,
(未知),粒子刚好能过第一象限内的M点,已知M点坐标为
,不计重力及粒子间的相互作用。
;
时刻从坐标原点射出的粒子P仍能过M点,求图2中
与
的比值;
处放置一垂直于x轴、可吸收带电粒子的挡板,挡板长度为
,挡板中心在x轴上。求在
至
时间内发射的粒子,哪个时间范围内发射能打到挡板上。
=5.0m/s沿光滑水平面上向右匀速运动.劲度系数较大的轻质弹簧固定在右侧竖直挡板上.当小车压缩弹簧到最短时,弹簧自锁(即不再压缩也不恢复形变),此时,物块恰好在小车的B处,此后物块恰能沿圆弧轨道运动到最高点C.已知小车的质量为M=1.0kg,小车的长度为
=0.25m,半圆形轨道半径为R=0.4m,物块与小车间的动摩擦因数为μ=0.2,重力加速度g取10m/s2.求:
;
以及弹簧被压缩的距离
.