文档预览
徐老师的博客
转WORD文档
编号:20260420230028853981
学科题库
微光
1
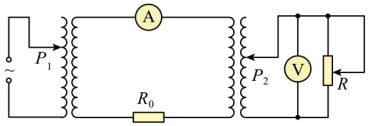
某同学借助如图所示的电路,探究电网输电的规律。电路中升压变压器原线圈接电压恒定的交流电源,变压器均可视为理想变压器,电表均可视为理想电表,则下列说法中正确的是( )

A. 仅将
向上调,电压表示数会减小
B. 仅将
向上调,电流表示数会增大
C. 若用户增多,电网负荷增大,要想用电器正常工作,应将
向下调
D. 演示“夜深了,灯更亮了”,应将变阻器
的滑片向上调,电流表示数减小而电压表示数不变
【参考答案】A
【解析】
该题有详细解析可以查阅
徐老师的博客 | 网站免责声明
为了浏览本网站(徐老师的博客,以下简称本网站),访问者应当关注、理解并接受本站作出的下述免责声明:
1、本网站所提供的信息,只供教育教学参考之用。
2、本网站及其会员一概毋须以任何方式就任何信息传递或传送的失误、不准确或错误对用户或任何其他人士负任何直接或间接的责任。
3、在法律允许的范围内,本网站在此声明,不承担用户或任何人士就使用或未能使用本网站所提供的信息或任何链接或项目所引致的任何直接、间接、附带、从属、特殊、惩罚性或惩戒性的损害赔偿。
4、访问者在从事与本网站相关的所有行为(包括但不限于访问浏览、利用、转载、宣传介绍)时,必须以善意且谨慎的态度行事;访问者不得故意或者过失的损害本网站的各类合法权益,不得利用本网站以任何方式直接或者间接的从事违反中华人民共和国法律、国际公约以及社会公德的行为。对于访问者利用本网站提供的信息而作出的任何决策、决定以及其后果,本网站不承担任何责任
5、本网站图片,文字之类版权,本网站无法鉴别所上传图片或文字的知识版权,如果侵犯,请及时通知我们,本网站将在第一时间及时删除。
6、凡以任何方式登录本网站或直接、间接使用本网站资料者,视为自愿接受本网站声明的约束。
徐老师的博客
徐老师的博客 | 网站导航