

11.1 电源和电流

1.了解形成电流的条件,知道电源的作用和导体中的恒定电场
2.理解电流的定义,知道电流的单位和方向
3.会推导电流的微观表达式,了解表达式中各量的意义


【课堂探究】
1.电闪雷鸣时,强大的电流使天空不时发出耀眼的闪光,但它只能存在于一瞬间,而手电筒中的小灯泡却能持续发光,这是为什么?

因为小灯泡中具有持续的电流,所以小灯泡才会持续发光。
2.有A、B 两个导体,分别带正、负电荷,如何形成电流呢,如何判断电流的方向,这样的电流稳定吗?

用导线将两个小球连接,由于同种电荷想回吸引,负电荷会定向移动到A球,形成电流。电流的方式是正电荷定向移动的方向,或者负电荷定向移动的反方向。
这样的电流并不稳定,由于小球B失去电子,小球A得到电子,它们之间的电势差很快就会消失,成为等势体,不在有电流。
3.如形成持续的电流?

要形成持续的电流,就需要保持电势差,倘若在A、B之间连接一个装置P(图 11.1-2),它能在B失去电子的过程中,不断地从A取走电子,补充给B,使A、B始终带一定数量的正、负电荷。这样,A、B之间始终存在电势差,H内就会存在持续的电流。能把电子从A搬运到B的装置P就是电源(power source),A和B是电源的两个电极。
【知识梳理】
1.电流:电荷的定向移动形成电流。
2.电流形成的条件:导体中有自由电荷;导体两端存在电压。
3.电流的标矢性:电流是标量,但有方向,规定正电荷定向移动的方向为电流的方向。

【知识梳理】
1.定义:大小、方向都不随时间变化的电流称为恒定电流。
2.电流的定义式:I=t,其物理意义:单位时间内通过导体横截面的电荷量,是表示电流强弱程度的物理量。
3.在国际单位制中,电流的单位是安培,符号是A。
4.电流的方向:规定为正电荷定向移动的方向,与负电荷定向移动的方向相反。
【课堂探究】
1.在闭合回路中导线内部的电场有何特点?
A、B 周围空间的电场是由电源、导线等电路元件所积累的电荷共同形成的。尽管这些电荷也在运动,但有的流走了,另外的又来补充,电荷的分布是稳定的,不随时间变化,电场的分布也不会随时间变化。这种由稳定分布的电荷所产生的稳定的电场,叫作恒定电场(steady electric field)。
2.为什么导线内的电子不会在恒定电场的作用下一直加速,而使电流越来越大?
在恒定电场的作用下,导体中的自由电荷做定向运动,在运动过程中与导体内不动的粒子不断碰撞,碰撞阻碍了自由电荷的定向运动,结果是大量自由电荷定向运动的平均速率不随时间变化。
3.如图所示,在MgCl2溶液中,正、负电荷定向移动,其中Cl﹣水平向左移动。

(1)请问电流的方向。
Cl﹣水平向左移动,所以电流水平向右。
(2)如果在时间t内,Ca2+向右移动n个,则Cl-向左移动多少个?
根据电荷守恒,Ca2+向右移动n个,则Cl-向左移动2n个。
(3)元电荷为e,溶液内部横截面积为S,请问电流大小是多少?
根据I=
,正负电荷流动方向相反,因此Q为正、负离子电荷量的绝对值之和,流过横截面积的电荷量为4ne,故I=
。

【课堂探究】
1.如图所示,AD表示粗细均匀的一段长为l的导体,两端加一定的电压,导体中的自由电荷沿导体定向移动的速率为v,设导体的横截面积为S,导体单位体积内的自由电荷数为n,每个自由电荷的电荷量大小为q.则:

(1)导体AD内全部自由移动的电荷全部通过横截面积D的时间?
根据l=vt,得t=
。
(2)导体AD内自由电荷的总数?
N=nV=nlS。
(3)导体AD内的总电荷量是多少?
Q=Nq
(4)则此导体内中的电流大小是多大?
I=
。
【知识梳理】
1.电流的微观表达式的推导
如图所示,AD表示粗细均匀的一段长为l的导体,两端加一定的电压,导体中的自由电荷沿导体定向移动的速率为v,设导体的横截面积为S,导体单位体积内的自由电荷数为n,每个自由电荷的电荷量大小为q.则:

导体AD内的自由电荷全部通过横截面D所用的时间t=v.导体AD内的自由电荷总数N=nlS
总电荷量Q=Nq=nlSq
此导体中的电流I=t=v=nqSv.
2.电流的微观表达式I=nqSv的理解
(1)I=t是电流的定义式,I=nqvS是电流的决定式,因此I与通过导体横截面的电荷量q及时间t无关,从微观上看,电流取决于导体中单位体积内的自由电荷数n、每个自由电荷的电荷量大小q、定向移动的速率v,还与导体的横截面积S有关.
(2)v表示电荷定向移动的速率.自由电荷在不停地做无规则的热运动,其速率为热运动的速率,电流是自由电荷在热运动的基础上向某一方向定向移动形成的.
3.区别三种速率
自由电荷定向移动速率 | 自由电荷定向移动形成电流,其中自由电荷定向移动速率的数量级一般为10-4m/s |
电子热运动速率 | 导体内的自由电子在永不停息地做无规则的热运动,由于热运动,自由电子向各个方向运动的机会相等,故不能形成电流,常温下电子热运动速率的数量级为105m/s |
电流传导速率 | 电流传导速率等于电场传播速率,在真空中,电场传播速率等于光速,即3×108m/s。在实际导体中会略小于真空中的光速 |

考点一:电源的认识和电流的形成
(22-23高一下·宁夏银川·期末)下列关于电流方向的说法中正确的是( )
A.电荷的定向移动方向即为电流的方向
B.电流的方向总是从电源的正极流向负极
C.在电源内部,电流从负极流向正极
D.电流既有大小,又有方向,是一个矢量
【答案】C
【知识点】电流强度的定义及单位
【详解】规定正电荷定向移动方向即为电流的方向,外电路电流的方向是从电源的正极流向负极,在电源内部,电流从负极流向正极,电流是标量。
故选C。
(22-23高二上·河南南阳·期中)下列说法正确的是()
A.任何物体,只要其两端电势差不为零,就有电流存在
B.导体的电阻由其两端的电压和通过的电流来决定
C.电源内部,电流的方向是从低电势一端流向高电势一端
D.导体中的电流一定是自由电子定向移动形成的
【答案】C
【知识点】电流强度的定义及单位、欧姆定律的内容、表达式及简单应用
【详解】A.对于绝缘物体,其两端电势差不为零,绝缘物体中没有电流存在,A错误;
B.导体的电阻只由导体本身决定,与其两端的电压和通过的电流无关,B错误;
C.电源内部,电流的方向是从低电势一端流向高电势一端,C正确;
D.离子和自由电子的定向移动都可以形成电流,D错误。
故选C。
考点二:电流定义式的应用
(24-25高二上·辽宁·期末)
内通过导线某横截面的电荷量为
,则导线中的电流为( )
A.
B.
C.
D.
【答案】B
【知识点】电流强度的定义及单位
【详解】根据电流强度的定义,导线中的电流为

故选B。
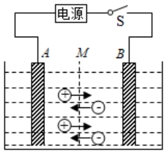
(24-25高二上·青海西宁·期中)在NaCl溶液中,正、负电荷定向移动,方向如图所示,若测得2 s内分别有1.0 × 1018个Na+和Cl−通过溶液内部的横截面M,以下解释正确的是( )

A.正离子定向移动形成电流,方向从A到B,负离子定向移动形成电流方向从B到A
B.溶液内正负离子沿相反方向运动,电流相互抵消
C.溶液内电流方向从A到B,电流I= 0.16 A
D.溶液内电流方向从A到B,电流I= 0.08 A
【答案】C
【知识点】电流强度的定义及单位
【详解】AB.电流的方向与正离子定向移动方向相同,与负离子定向移动方向相反,所以正离子定向移动形成电流,方向从A到B,负离子定向移动形成电流方向也从A到B,不会相互抵消,故AB错误;
CD.溶液内电流方向从A到B,2 s时间内通过溶液截面的电荷量

则根据电流的定义式

故C正确,D错误。
故选C。
(2025·陕西安康·三模)北京正负电子对撞机的储存环是半径为
的圆形轨道,环中的
个电子以速度
定向运动,已知电子的电荷量为
,则
个电子形成的电流为()
A.
B.
C.
D.
【答案】C
【知识点】电流强度的定义及单位
【详解】电子运动的周期为
根据电流定义式可知,
个电子形成的电流为
联立解得
故选C。
考点三:电流的微观表达式
(22-23高二上·广东佛山·期中)有一横截面积为S的铜导线,流经其中的电流为I,设每单位体积的导线中有n个自由电子,电子的电荷量为q。此时电子的定向移动速度为v,在
时间内,通过导线横截面的自由电子数目可表示为( )

A.nvS B.
C.
D.
【答案】C
【知识点】电流的微观表达式及其应用
【详解】CD.根据电流的定义式可知,在
内通过导线横截面的电荷量

所以在这段时间内通过的自由电子数为

故C正确,D错误;
AB.由于自由电子定向移动的速度是v,因此在时间
内,位于以横截面S、长
的这段导线内的自由电子都能通过横截面。这段导线的体积

所以
内通过横截面S的自由电子数为

故AB错误。
故选C。
(24-25高二上·河北石家庄·期末)两根材料相同、横截面半径之比为3:1的均匀直导线P、Q按如图所示的方式接入电路。当电路中通入恒定电流时,流过P、Q的自由电子定向移动的平均速率之比为( )

A.1:9 B.1:3 C.3:1 D.9:1
【答案】A
【知识点】电流的微观表达式及其应用
【详解】根据
可得
可知流过P、Q的自由电子定向移动的平均速率之比为1:9。
故选A。
(多选)(22-23高二上·云南玉溪·期中)一段材料、截面均匀的导线中,通过的电流为I,导线的横截面积为S,单位长度导线内的电子数量为n,电子的电荷量为e,单位时间内通过导线中某横截面的电子数为N。则导线中电子运动的速率v为( )
A.
B.
C.
D.
【答案】AD
【知识点】电流的微观表达式及其应用
【详解】AB.取一段长为L的导线,其中的电子刚好全部通过这段导线的时间为

由已知条件可得这段导线中的电子数为Ln,电荷量为Lne,这些电荷量在t时间内通过,则根据电流的定义可得

由此解得电子速度为

故A正确,B错误;
CD.单位时间内通过这段导线的电荷量也可以写作Ne,根据电流定义有

即

解得

故C错误,D正确。
故选AD。
(多选)(24-25高三上·河北保定·期末)“质子疗法”治疗肿瘤,就是让高速运动的质子进入肿瘤并杀死癌细胞,该过程需要一种被称为“粒子加速器”的装置来实现。如图所示,来自质子源的质子(初速度可视为零),经加速电场加速后获得的动量为
,并形成均匀细柱形的质子流。已知细柱形质子流的横截面积为
,其等效电流为
,质子的质量为
、带电荷量为
,下列说法正确的是()

A.单位时间进入肿瘤的质子数为
B.质子加速后获得的动能为
C.加速电场的加速电压为
D.质子流单位体积内的质子数为
【答案】AD
【知识点】动量和动能的区别与联系、利用动能定理求解其他问题(运动时间、力等)、电流的微观表达式及其应用
【详解】A.题意可知质子流等效电流为I,则单位时间进入肿瘤的质子数为

故A正确;
B.题意可知经加速电场加速后质子获得的动量为

动能

联立整理得

故B错误;
C.设加速度电压为U,由动能定理得

解得

故C错误;
D.设质子流单位体积内的质子数为N,则根据电流微观表达式

因为

联立解得

故D正确。
故选 AD。
考点四:电池容量
(2025·海南省直辖县级单位·模拟预测)锂离子电池被广泛地用于智能手机、智能机器人、电动自行车、电动汽车等领域。某款手机充电锂离子电池的标识如图所示,关于电池容量对应的物理量是()

A.电荷量 B.电功率 C.电功 D.电流
【答案】A
【知识点】电流强度的定义及单位
【详解】根据
解得
可知电荷量的单位
,与电池容量对应。
故选A。
(24-25高二上·江西·期中)某品牌推出了手机快充技术,其中66W快充的参数如图,当充电器与手机连接时,手机将启动66W快充模式充电,即充电器输出电压为11V,输出电流为6A。若用该充电模式对容量为4500mAh的电池充电(初始电量为零),要把电池充满,理论上充电的时间约为( )

A.15分钟 B.30分钟 C.45分钟 D.60分钟
【答案】C
【知识点】电流强度的定义及单位
【详解】电池充满后的容量为


故选C。


1、本网站所提供的信息,只供教育教学参考之用。
2、本网站及其会员一概毋须以任何方式就任何信息传递或传送的失误、不准确或错误对用户或任何其他人士负任何直接或间接的责任。
3、在法律允许的范围内,本网站在此声明,不承担用户或任何人士就使用或未能使用本网站所提供的信息或任何链接或项目所引致的任何直接、间接、附带、从属、特殊、惩罚性或惩戒性的损害赔偿。
4、访问者在从事与本网站相关的所有行为(包括但不限于访问浏览、利用、转载、宣传介绍)时,必须以善意且谨慎的态度行事;访问者不得故意或者过失的损害本网站的各类合法权益,不得利用本网站以任何方式直接或者间接的从事违反中华人民共和国法律、国际公约以及社会公德的行为。对于访问者利用本网站提供的信息而作出的任何决策、决定以及其后果,本网站不承担任何责任
5、本网站图片,文字之类版权,本网站无法鉴别所上传图片或文字的知识版权,如果侵犯,请及时通知我们,本网站将在第一时间及时删除。
6、凡以任何方式登录本网站或直接、间接使用本网站资料者,视为自愿接受本网站声明的约束。
徐老师的博客