江苏省常州高级中学2024~2025学年第二学期高二年级阶段质量检测
物理试卷
一、单选题
1. 以下说法正确的是( )
A. 变化的磁场能够在周围空间产生电场
B. 麦克斯韦预言并用实验证实了电磁波的存在
C. 验钞机和遥控器的工作均利用了红外线
D. 紫外线比无线电波频率小
【答案】A
【解析】
【详解】A.根据麦克斯韦的电磁场理论可知,变化的磁场能够在周围空间产生电场,故A正确;
B.麦克斯韦首先从理论上预言了电磁波,赫兹利用实验证实了电磁波的存在,故B错误;
C.验钞机是利用紫外线使钞票上的荧光物质产生发光效应进行防伪的,遥控器的工作利用了红外线,故C错误;
D.各种射线的波长从大到小排序为无线电波、微波、红外线、可见光、紫外线、X射线、γ射线,故紫外线比无线电波的波长小,频率大,故D错误。
故选A。
2. 如图所示,三个相同的灯泡
、
、
,电阻可忽略的电感线圈L,D为理想二极管,下列说法正确的是( )

A. 闭合开关S的瞬间,
立即变亮,
、
逐渐变亮
B. 闭合开关S的瞬间,
立即变亮,
、
逐渐变亮
C. 断开开关S的瞬间,
立即熄灭,
、
逐渐熄灭
D. 断开开关S的瞬间,
立即熄灭,
、
先闪亮一下然后逐渐熄灭
【答案】C
【解析】
【详解】AB.闭合开关S的瞬间,
立即变亮,因通过二极管的电流为正向电流,所以灯泡
立刻亮,而线圈
产生自感电动势阻碍灯泡
所在支路的电流增大,所以灯泡
慢慢变亮,综上分析可知,
逐渐变亮,
、
均立即变亮,故AB错误;
CD.断开开关S的瞬间,流过二极管的电流为反向电流,则
立即熄灭,线圈
与灯泡
、
构成回路,因线圈
产生感应电动势阻碍电流的减小;由于
的电阻不计,则闭合开关S稳定后各支路的电流是相等的,所以断开S后通过
、
的电流从原来的大小开始减小,
与
都不会闪亮一下;综上分析可知,断开开关S的瞬间,
立即熄灭,
、
逐渐熄灭,故C正确,D错误。
故选C。
3. 变压器铁芯是利用由相互绝缘的薄硅钢片平行叠压而成的,铁芯Q安放在铁芯P上时,铁芯Q中的薄硅钢片应平行于( )


A. 平面
B. 平面
C. 平面
D. 平面
【答案】D
【解析】
【详解】根据变压器正视图

硅钢片的作用是形成闭合磁路,所以为了减小涡流产生的热量,硅钢片应平行于平面aehd。
故选D。
4. 一个LC振荡电路中,线圈的自感系数为L,电容器的电容为C,电路的振荡周期为T。从电容器上电压达到最大值Um开始计时,在
时间内,电路中的平均电流为( )
A.
B.
C.
D. 
【答案】C
【解析】
【详解】振荡电路电容器两端的电压如图

振荡电路的振荡周期为

从电压到最大值Um开始,在
时间内,电量为

平均电流为

故选C。
5. LC振荡电路如图所示,某时刻,线圈中的磁场方向向下,且正在增强。P、Q为电容器的上下极板,a、b为回路中的两点。已知LC振荡电路的频率
,L为电感,C为电容,对该时刻分析,下列说法正确的是( )

A. 回路中电流的流向为b到a
B. 该时刻电流正在变大
C. P板带负电,Q板带正电
D. 若在电容器中插入电介质板,则激发产生的电磁波波长将变小
【答案】B
【解析】
【详解】A.
时刻,线圈中的磁场方向向下,由安培定则可知,电流流向为a到b,A错误;
BC.此时磁场正
增强,说明电场能正在向磁场能转化,电容器放电,电流变大,且可由电流流向判断出P板带正电,Q板带负电,B正确,C错误;
D.若插入电介质板,
增大,由
可知C增大,激发产生的电磁波频率f减小,再由
可知,
增大,D错误。
故选B
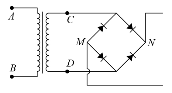
6. 手机充电装置由一个变压器和一个整流装置组成如图,变压器原副线圈匝数比n1∶n2=44∶1,输出端连接有4个理想二极管,若AB端输入电压为u=220
sin100πt(V),下列说法中正确的是( )

A. 二极管的存在使得整流装置输出端电压的有效值为
B. 手机充电电流随时间变化的周期为0.02s
C. 手机充电时N点电势总是高于M点电势
D. 若在AB端输入电压为U=220V的直流电时,CD端输出可以获得相同的有效值
【答案】C
【解析】
【分析】
【详解】A.若AB端输入电压为u=220
sin100πt(V),变压器原副线圈匝数比n1∶n2=44∶1,根据电压之比等于匝数之比,所以副线圈两端电压为5V,副线圈连有4个二极管,由于二极管具有单向导电性,不管交变电流的方向如何,整流装置输出端电压的有效值为副线圈两端电压的有效值5V,故A错误;
B.由交变电流的瞬时值表达式可知

解得

输出端连接有4个理想二极管,输出端电流的波形图如图所示

所以手机充电电流随时间变化的周期为0.01s,故B错误;
C.当AB端输入交流电时,由于二极管的单向导电性,使得电流总是从N端经过手机流向M,所以手机充电时N点电势总是高于M点电势,故C正确;
D.若在AB端输入电压为U=220V的直流电时,CD端无电流输出,故D错误。
故选C。
7. 刘伟和李辉做了一个趣味实验,过程如下:刘伟用两手分别握住一个变压器原线圈的两端,李辉将多用电表打到欧姆挡,用两表笔分别接触原线圈的两端,发现多用电表的表盘显示线圈具有一定的电阻,当李辉把多用电表的表笔与原线圈脱离时,刘伟突然惊叫起来,觉得有电击感。关于这一过程下列说法正确的是

A. 如果多用电表打到交流电压挡,重复该过程,刘伟也会感到电击感
B. 如果多用电表打到直流电流挡,重复该过程,刘伟也会感到电击感
C. 多用电表内部电源的电动势很大,所以刘伟会有电击感
D. 表笔与原线圈脱离时,原线圈上产生了很大的感应电动势,所以刘伟会有电击感
【答案】D
【解析】
【详解】AB.电压挡和电流挡内部无电源,整个回路无电流,所以不会有电击感,故AB错误;
CD.欧姆表测量电阻时,内部电源电动势较小,流过回路的电流也较小,人即使接触也不会有电击感,表笔与原线圈脱离时,变压器上产生了较大的自感电动势,刘伟此时手握住了裸露的线圈部分,因此会有电击感,故C错误,D正确。
故选D.
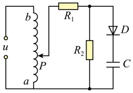
8. 如图所示,P为理想自耦变压器滑动端,原线圈匝数为4000,原线圈两端的瞬时电压为220
sin50πt(V),电阻R1=200Ω,R2=300Ω,D为理想二极管,电容器的电容为2000μF,则下列说法中正确的是( )

A. 穿过线圈的磁通量的变化率最大为0.22Wb/s
B. 滑动端P从b向a滑动的过程中,电容器两端的电压逐渐降低
C. 滑动端P从a向b滑动的过程中,副线圈两端电压减小
D. 当滑动端P移动到ab的中点时,R2的电功率与R1的电功率之比为3︰2
【答案】D
【解析】
【分析】
【详解】A.穿过线圈的磁通量的变化率最大为

故A错误;
B.滑动端P从b向a滑动的过程中,二极管不导通,电容器没有放电的通路,所带电荷量不变,电容器两端的电压不变,故B错误;
C.滑动端P从a向b滑动的过程中,原、副线圈匝数比变大,副线圈两端电压升高,故C错误;
D.R1、R2中电流相等,由

可得R2的电功率与R1的电功率之比为

故D正确。
故选D。
9. 可变差动变压器(LVDT)是一种常用的直线位移传感器,简化模型如图所示。它内部主要结构包括一个初级线圈和一对匝数相等的次级线圈,初级线圈位于中间,次级线圈则沿相反方向串联,对称缠绕在初级线圈的两侧;导磁铁芯可以在空心管(图中未画出)中移动,连接到要测量位移的物体上,初始时铁芯恰好位于空心管的中央,运动中铁芯始终有一端在副线圈中。在ab端输入有效值为
的正弦式交变电压,cd端输出电压的有效值记为
,则()

A. 铁芯从中央位置开始向上移动时,
增加
B. 铁芯从中央位置开始的移动量越大,
越小
C. 铁芯向上移动一定距离后,若增大
,
会减小
D. 可变差动变压器无法反映物体的运动方向
【答案】A
【解析】
【详解】负线圈反向接,当铁芯在中央时上下方次级线圈的磁通量相同,此时副线圈电压为零。即铁芯移动时会因铁芯的移动导致的磁通量的变化产生感应电动势。
A.当铁芯向上移动时,它会使得上方的次级线圈中的磁通量增加,下方的次级线圈中的磁通量减少。由于次级线圈是沿相反方向串联的,所以上方的次级线圈产生的感应电动势会与下方的次级线圈产生的感应电动势相加,而不是相减。因此,cd端输出电压的有效值U2会增加,故A正确;
B.当铁芯从中央位置开始的移动量越大时,它改变穿过次级线圈的磁通量也越多,从而导致次级线圈中产生的感应电动势也越大。因此,U2会越大,而不是越小,故B错误;
C.当铁芯向上移动一定距离后,若增大
,则初级线圈中产生的交变电流会增大,进而产生的交变磁场也会增强。这个增强的交变磁场会穿过次级线圈,并在次级线圈中产生更大的感应电动势。因此,
会增大,而不是减小,故C错误;
D.由于可变差动变压器的输出电压
与铁芯的移动方向有关,如果此时输入端的磁通量向上增加,磁铁向上移动导致上方的磁通量向上增加而下方的减少,如果此时副线圈的电压为正,而此时向下移动则会导致副线圈电压为负,即可以通过电压的正负反应物体的运动方向。
故选A。
10. 如图所示,
、
两个长方体物块叠放在足够大的粗糙水平地面上,物块
带负电,物块
不带电且为绝缘体,地面上方存在垂直纸面向里的匀强磁场,现用一水平恒力
拉物块
,使
、
一起由静止开始向左加速,则
、
在无相对滑动的加速过程中,物块
、
间的摩擦力( )

A. 逐渐减小 B. 逐渐增大 C. 先增大后减小 D. 先减小后增大
【答案】B
【解析】
【详解】运动中,由左手定则可知,a受到向上的洛伦兹力,整体有


解得

可知,v增大,则a增大。对a,由牛顿第二定律得

a增大则f增大。
故选B。
11. 两间距为
的光滑导轨水平放置于
的竖直向下匀强磁场中。导轨左端接一单刀双掷开关,一电容为
的电容器与定值电阻
分别接在1和2两条支路上,其俯视图如图。导轨上有一质量为
的金属棒与导轨垂直放置。将开关S接1,
时刻起,金属棒ab在
的恒力作用下由静止开始向右运动,经过时间t,ab的位移大小为
。忽略导轨和导体棒的所有电阻,电容器耐压值很大,不会被击穿。下列说法正确的是( )

A. ab棒做加速度逐渐减小
加速运动
B. 
C. 在t时刻撤去拉力F,并将开关拨向2,导体棒做匀减速运动
D. 在t时刻撤去拉力F,并将开关拨向2,R上消耗的焦耳热为8J
【答案】D
【解析】
【详解】A.ab棒由牛顿第二定律得

又
,
,
得

则

做匀加速直线运动,故A错误;
B.根据

得
,
故B错误;
C.在t时刻撤去拉力F,并将开关拨向2,导体棒受到的安培力与v成正比,故加速度越来越小,故C错误;
D.在t时刻撤去拉力F,并将开关拨向2,R上消耗的焦耳热为导体棒的动能转化而来,故

故D正确。
故选D。
12. 如图所示,xOy平面内存在沿y轴正向
匀强电场和垂直坐标平面向里的匀强磁场,带正电粒子从坐标原点O由静止释放,运动轨迹如图虚线所示,不计粒子的重力。下列描述粒子沿x轴方向的分速度
随时间t、位置坐标y的变化图像中可能正确的是( )


A. ①③ B. ①④ C. ②③ D. ②④
【答案】A
【解析】
【详解】释放时粒子可视为有沿x轴正方向和负方向、大小均为v的两个分速度,且满足
则粒子的运动可分解为沿x轴正方向以速率v做匀速直线运动的同时,以速率v在xOy平面内做匀速圆周运动,t时刻粒子沿x轴方向的分速度满足
(
为粒子做匀速圆周运动的角速度),故①正确,②错误;
以x方向为正方向,由动量定理可知
又沿y方向的位移
解得
变形后得
则
图像是过原点的直线,故③正确,④错误。
故选A。
二、解答题
13. 贯彻新发展理念,我国风力发电发展迅猛,2020年我国风力发电量高达4000亿千瓦时。某种风力发电机的原理如图所示,发电机的线圈固定,磁体在叶片驱动下绕线圈对称轴转动,已知磁体间的磁场为匀强磁场,磁感应强度的大小为
,线圈的匝数为100、面积为
,电阻为
,若磁体转动的角速度为
,线圈中产生的感应电流为
。求:
(1)线圈中感应电动势的有效值E;
(2)线圈的输出功率P。

【答案】(1)
;(2)
【解析】
【详解】(1)电动势的最大值

有效值

解得

带入数据得

(2)输出电压

输出功率

解得

代入数据得

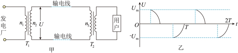
14. 小型水电站发电机的输出功率为
输出电压为
。先经过升压变压器
进行高压输送,输送线路总电阻为
。为满足用户日常用电需求,在到达用户端之时利用降压变压器
把电压降为
。允许输送过程损失的功率控制为
。整个远距离输电线路如下图甲所示,且变压器
,
都可看作理想变压器,则:
(1)升压变压器的原、副线圈的匝数之比和降压变压器的输入电压;
(2)用户区的小明同学正在家中使用额定电压为
的调光台灯,该灯是利用可控硅光调节器来实现调节灯光强弱的。如图是经过调节器调节后加在电灯上的电压如图乙所示。当台灯正常工作时,试求
?

【答案】(1)1:24,5760V;(2)20V
【解析】
【详解】(1)发电机的输出功率为360kW,输出电压为250V,则升压变压器原线圈的电流

输送过程损失的功率为4%,则

解得

所以

升压变压器的原、副线圈的匝数之比

又

解得

所以,降压变压器的输入电压为

(2)调光台灯的额定电压为10V,即有效值为10V,所以

解得

15. 如图所示,“日”字型线框水平放置在光滑绝缘水平面上,
、
、
、
、
、
、
的长度均为
,
、
、
三条边的电阻均为
,其余边的电阻不计。线框在外力的作用下以速度
匀速向右进入一有界匀强磁场区域(足够大),线框
边与磁场边界平行,磁场方向垂直于水平面向下,磁感应强度大小为
。从
边开始进入磁场到
边刚要进入磁场之前的过程中,求

(1)感应电动势大小;
(2)线框所受安培力的大小;
(3)
边上产生的焦耳热。
【答案】(1)
(2)
(3)
【解析】
【小问1详解】
根据法拉第电磁感应定律有
解得
【小问2详解】
线框的总电阻为
根据欧姆定律有
根据安培力公式为
解得
【小问3详解】
根据串并联电路电流关系有
线框运动的时间为
根据焦耳定律有
解得
16. 如图所示的装置左侧是法拉第圆盘发电机,其细转轴竖直安装。内阻不计、半径
的金属圆盘盘面水平,处于竖直向上的匀强磁场
中,磁感应强度
。圆盘在外力作用下以角速度
逆时针(俯视)匀速转动,圆盘的边缘和转轴分别通过电刷a、b与光滑水平导轨
、
相连,导轨间距
。在导轨平面内以O点为坐标原点建立坐标系xOy,x轴与导轨平行。
区域内存在竖直向下的匀强磁场,磁感应强度
,导电性能良好的导轨上放置着一根质量
、电阻
的金属棒,金属棒离y轴足够远;
区域内存在竖直向下磁场,磁感应强度
,导轨由绝缘材料制成,导轨上紧贴y轴放置着一U型金属框,其质量
、电阻为3R、长度为L、宽度
。不计其它一切电阻。

(1)比较a、b两点电势的高低,并计算闭合开关瞬间通过金属棒的电流I;
(2)从闭合开关到金属棒刚达到最大速度时(此时金属棒未离开
磁场区),求此过程通过金属棒的电量q和维持圆盘匀速转动外力所做的功W;
(3)若此后金属棒和金属框发生完全非弹性碰撞,求金属棒最终停下来时的位置坐标x。
【答案】(1)
点电势高,5A
(2)6C,18J(3)
【解析】
【小问1详解】
由右手定则可知

圆盘切割,感应电动势为

根据闭合电路欧姆定律得

联立解得

【小问2详解】
设导体棒最大速度为
,有

设金属棒从开始运动到最大速度通过金属棒的电量为q,对金属棒,由动量定理得

由以上两式得

该过程外力对金属圆盘做功为

【小问3详解】
设金属棒和U型金属框碰撞后共同速度为
,由动量守恒定律得

碰撞后金属棒运动到坐标x时整个框速度v,此时回路的感应电流为

整个框受到的安培力为

由动量定理得

求和得

解得

17. 如图所示,在平面直角坐标系xOy的第一象限内存在一半径为R、分别与x轴、y轴相切的圆形边界,圆形边界内和第三、四象限内均存在磁感应强度大小为B、方向垂直纸面向里的匀强磁场,第一象限圆形边界外无磁场。在第二象限内存在平行于y轴方向的匀强电场(在图中未标出)。现将一群质量均为m、电荷量均为+q(q>0)的带电粒子从切点S以同一速度大小v0(其中v0大小未知)与x轴正方向成θ角(
≤θ≤
)射入第一象限,其中垂直于x轴入射的粒子刚好垂直y轴经过Р点,与x轴正方向成θ=
入射的粒子经过第二象限的电场后从x轴上的Q点射入第三象限,其中OQ距离为R。在x轴正方向上有一块收集板MN,不计粒子重力,求:

(1)粒子入射速度大小v0;
(2)电场强度E方向(选“y轴负方向”或“y轴正方向”)和大小;
(3)若收集所有粒子,则收集板长度至少要多长;
(4)若收集板可以在第四象限任意位置移动,要收集所有粒子,收集板长度至少要多长。
【答案】(1)
(2)
轴负方向,
(3)
(4)
【解析】
【小问1详解】
垂直于x轴入射的粒子刚好垂直y轴经过Р点,根据粒子在圆形边界内做圆周运动,如图甲所示

由图可得
r=R
由洛伦兹力提供向心力可得

联立可得粒子入射速度大小

【小问2详解】
与x轴正方向成θ=
入射的粒子经过第二象限的电场后从x轴上的Q点射入第三象限,粒子运动轨迹如图:

根据粒子偏转方向可知,电场强度E方向
沿着y轴负方向;
由几何关系可知水平位移
x1=OQ=R
竖直位移

粒子电场中做类平抛运动,有
,
联立可得电场强度E的大小为

【小问3详解】
如图乙所示

对与x轴正方向成
入射的粒子在第二象限运动

粒子电场中做类平抛运动
,x2=v0t2
可知

粒子进入第三象限由洛伦兹力提供向心力有

解得
对与x轴正方向成
入射的粒子


对与x轴正方向成
入射的粒子


由以上可知所有粒子在第三、四象限内运动轨迹的圆心都在y轴上的同一点,所以若收集所有粒子,则收集板长度至少为
ΔL=
【小问4详解】
挡板与量粒子速度垂直时最短,如图:

可知最短距离为

1、本网站所提供的信息,只供教育教学参考之用。
2、本网站及其会员一概毋须以任何方式就任何信息传递或传送的失误、不准确或错误对用户或任何其他人士负任何直接或间接的责任。
3、在法律允许的范围内,本网站在此声明,不承担用户或任何人士就使用或未能使用本网站所提供的信息或任何链接或项目所引致的任何直接、间接、附带、从属、特殊、惩罚性或惩戒性的损害赔偿。
4、访问者在从事与本网站相关的所有行为(包括但不限于访问浏览、利用、转载、宣传介绍)时,必须以善意且谨慎的态度行事;访问者不得故意或者过失的损害本网站的各类合法权益,不得利用本网站以任何方式直接或者间接的从事违反中华人民共和国法律、国际公约以及社会公德的行为。对于访问者利用本网站提供的信息而作出的任何决策、决定以及其后果,本网站不承担任何责任
5、本网站图片,文字之类版权,本网站无法鉴别所上传图片或文字的知识版权,如果侵犯,请及时通知我们,本网站将在第一时间及时删除。
6、凡以任何方式登录本网站或直接、间接使用本网站资料者,视为自愿接受本网站声明的约束。
徐老师的博客