2022~2023学年第二学期高二期中调研试卷
物 理2023.4
注意事项:
1. 本试卷包含选择题和非选择题两部分.考生答题全部答在答题卡上,答在本试卷上无效.本次考试时间为75分钟,满分值为100分.
2. 答题前,请务必将自己的姓名、准考证号(考试号)用书写黑色字迹的0.5毫米签字笔填写在答题卡上,并用2B铅笔将对应的数字标号涂黑.
3. 答选择题必须用2B铅笔把答题卡上对应题目的答案标号涂黑.如需改动,请用橡皮擦干净后,再选涂其它答案.答非选择题必须用书写黑色字迹的0.5毫米签字笔写在答题卡上的指定位置,在其它位置答题一律无效.
一、单项选择题:共10题,每题4分,共40分,每题只有一个选项最符合题意.
1.关于电磁波,下列说法中正确的是
A.周期性变化的电场和磁场交替产生由近及远地向周围传播,形成了电磁波
B.电磁波在真空中的传播速度比在水中小
C.电磁波能发生反射、折射、衍射和干涉现象,但不能发生偏振现象
D.不同电磁波具有不同的频率,但在同一介质中波速相同
2.如图所示是用显微镜观察到的三颗炭粒运动时的位置连线,下列说法中不正确的是
A.炭粒越小,温度越高,无规则运动越明显
B.每段线段对应的是这段时间内炭粒运动的位移
C.炭粒的运动是由于液体分子撞击的不平衡造成的
D.炭粒的运动其实就是分子的热运动
3.体积都是1L的两个容器,装着质量相等的氧气,其中一个容器内的温度是0℃,另一个容器的温度是100℃.如图所示是根据两种不同情况下的分子速率分布情况绘制出的图像.下列说法中正确的是
A.a线对应的温度是100℃
B.b线表示的氧气分子的平均动能更大
C.a线单位时间内与容器壁单位面积碰撞的分子数多
D.这两个温度下具有最大比例的速率区间是相同的
4.如图所示是正弦式交流发电机的示意图,下列说法中正确的是
A.该发电机是旋转电枢式发电机
B.两磁极之间产生的磁场是辐向磁场
C.图示位置时,穿过线圈的磁通量为零,感应电动势也为零
D.逆时针转至图示位置时,线圈中感应电流的方向是A→B→C→D
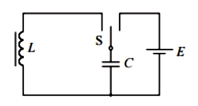
5.如图所示,把线圈、电容器、电源和单刀双掷开关连成电路.先把开关置于电源一侧,为电容器充电;稍后再把开关置于线圈一侧,使电容器通过线圈放电.由电感线圈L和电容C组成的电路,就是最简单的振荡电路,称为LC振荡电路.下列说法中正确的是
A.电容器放电完毕时,电路中电流为零
B.在电场能转化为磁场能时,电路中的电流减小
C.电感L、电容C越大,电容器的充放电时间越长
D.振荡电路中能量逐渐减少,电磁振荡的周期也在减小
6.如图甲为手机及无线充电器,图乙为充电原理示意图.无线充电器能给手机充电正是因为两者内部有线圈存在,当电源的电流通过无线充电器的送电线圈会产生变化的磁场,手机端的受电线圈靠近该磁场就会产生电流,成功实现无线充电.下列说法中正确的是
A.受电线圈的匝数一定比送电线圈的多
B.cd间输出的是直流电
C.cd间输出的功率等于ab间输入的功率
D.若图乙所示的磁感应强度在增大,c点的电势高于d点
7.为了减小“用油膜法估测油酸分子的大小”的实验误差,下列方法可行的是
A.为使油酸和酒精充分混合,配成的溶液需静置较长时间
B.将油酸酒精溶液滴在水面上时,滴管距水面距离需要近一些
C.为清晰显示油膜的边界,滴入油酸酒精溶液后再撒上痱子粉
D.用牙签把水面上的油膜尽量拨弄成规则形状
8.一定质量的理想气体经过一系列变化过程,如图所示,下列说法中正确的是
A.a→b过程中,气体温度降低,体积增大
B.b→c过程中,气体温度不变,体积变小
C.c→a过程中,气体压强增大,体积不变
D.在c状态时,气体的体积最小
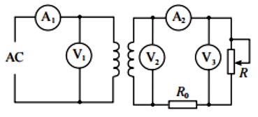
9.如图所示是街头变压器通过降压给用户供电的示意图.变压器的输入电压是市区电网的电压,负载变化时输入电压不会有大的波动.输出电压通过输电线输送给用户,两条输电线的总电阻用R0表示,变阻器R代表用户用电器的总电阻,当用电器增加时,相当于R的值减小.如果变压器上的能量损失可以忽略,交流电表作为理想电表处理,下列说法中正确的是
A.V1与A1示数乘积大于V2与A2示数乘积
B.由于输入电压高于输出电压,所以原线圈所用的导线应当更粗
C.当用户的用电器增加时,V1,V2,V3示数都不变
D.当用户的用电器增加时,A1,A2示数都增大
10.某同学设计了一个加速度计,如图所示.较重的滑块2可以在光滑的框架1中平移,滑块两侧用弹簧3拉着;R为滑动变阻器,4是滑动片,它与电阻器任一端之间的电阻值都与它到这端的距离成正比.这个装置就是一个加速度传感器.两个电池E的电压相同,内阻不计.按图连接电路后,电压表指针的零点位于表盘中央,当P端的电势高于Q端时,指针向零点右侧偏转.下列说法中正确的是
A.当物体具有图示方向的加速度a时,电压表的指针向右偏转
B.电压表的示数与加速度的大小成正比
C.要提高该加速度计的测量范围,可以减小弹簧的劲度系数
D.要提高该加速度计的测量范围,可以减小电池的电压
二、非选择题:共5题,共60分.其中第12题~第15题解答时请写出必要的文字说明、方程式和重要的演算步骤,只写出最后答案的不能得分;有数值计算时,答案中必须明确写出数值和单位.
11. (15分)高二物理实验课上,用可拆变压器探究“变压器原、副线圈电压与匝数的关系”.可拆变压器如图甲、乙所示,图中各接线柱对应的数字表示倍率为“×100”的匝数.
(1)
以下给出的器材中,本实验需要用到的是▲;(填字母)
(2)
某同学用同种规格的导线绕制成a、b两个线圈,并用一多用电表的同一欧姆挡先后测量了a、b两个线圈的电阻值,指针分别对应图丙中的位置,由此可判断▲线圈匝数多;
(3)在具体操作过程中,下列说法中正确的两项为
▲
A.为确保实验安全,实验中要求原线圈匝数小于副线圈匝数
B.测量副线圈电压时,先用最大量程挡试测,大致确定后再选用适当的挡位
C.研究副线圈匝数对副线圈电压的影响时,需保持原线圈电压、匝数不变,改变副线圈的匝数
D.实验中,必须在副线圈上接上用电器以形成闭合回路
(4)在实验中将电源接在原线圈的“0”和“8”两个接线柱之间,用电表测得副线圈的“0”和“4”两个接线柱之间的电压如图丁所示,则该电压值为▲
(5)某同学发现通电后,使很大的劲都不能把变压器铁芯B取出,断电后,就可以轻松取出,这是为什么?请简单述说原因▲.
12.(8分)导热性能良好的气缸内壁顶部有一固定卡环,气缸内壁光滑,卡环到气缸底部高度24cm.一个质量为1kg的活塞将气缸内气体封闭,活塞与气缸内壁气密性好,静止时,活塞到气缸底部高度18cm.已知大气压强为1×105Pa,环境温度为300K,当环境温度升高时,活塞向上移动.重力加速度取10m/s2,活塞的截面积为5cm2,不计活塞的厚度.求:
(1)活塞刚好与卡环接触时环境的温度;
(2)当环境温度为450K时,卡环对活塞的作用力大小.
13.(8分)小明同学将开水灌入热水瓶中但未灌满,为了保温,用软木塞将瓶口盖紧,这样热水瓶中的上方空间就封闭了一定质量的气体.过了一会,听到“砰”的一声,发现软木塞跳了出来.小明对此现象建立如图所示的物理模型进行研究.已知外界大气压强为p0,温度为T0.设木塞塞住瓶口的瞬间封闭气体的压强、温度均与外界相同.封闭气体的体积为V0,木塞的质量为m,横截面积为S,塞入的深度为h1,木塞跳出后在最高点时其底面距离瓶口的高度为h2,木塞与瓶口间的最大静摩擦力为f.假设木塞在冲出瓶口过程中瓶口密封性良好且摩擦力恒为f.(重力加速度为g,忽略空气阻力)求:
(1)木塞刚开始松动时瓶内气体的温度T;
(2)气体在顶起木塞的过程中对木塞做的功W.
14.(14分)如图所示,匝数N= 50匝的矩形线圈,线圈总电阻r= 1Ω,边长为ab= 25cm,ad= 20cm.外电路电阻R=9Ω,匀强磁场磁感应强度的大小B= 0.4T,线圈绕垂直于磁感线的OO’轴以角速度ω= 50πrad/ s匀速转动.试求:
(1)电路中感应电动势的最大值;
(2)从此位置开始转过π/2的过程中,通过电阻R的电荷量q;
(3)在时间t = 1min内R上消耗的电能;(取π2=10)
(4)从此位置开始计时,线圈ab边所受安培力的瞬时值表达式(取垂直于纸面向里为安培力的正方向).
15.(15分)某个小水电站发电机的输出功率为100 kW,发电机的输出电压为250 V.通过升压变压器升压后向远处输电,输电线的总电阻为10 Ω,在用户端用降压变压器把电压降为220 V.假设两个变压器均是理想变压器.
(1)若要求在输电线上损失的功率控制在发电机输出功率的4%.试求:
①输电线损失的电压;
②降压变压器原、副线圈的匝数比;
③升压变压器输出的电压;
(2)
若因用户增加导致用户消耗功率达到141 kW,且要求用户电压U4不变,可通过仅调整发电机输出功率和降压变压器的匝数比以满足要求.试求:
④调整后降压变压器原、副线圈的匝数比;
⑤发电机的输出功率.
2022~2023学年第二学期高二期中调研试卷
物理参考答案2023.4
一、单项选择题:共10题,每题4分,共40分,每题只有一个选项最符合题意.
题号 | 1 | 2 | 3 | 4 | 5 | 6 | 7 | 8 | 9 | 10 |
答案 | A | D | B | A | C | D | B | C | D | B |
二、非选择题:共5题,共60分.其中第12题~第15题解答时请写出必要的文字说明、方程式和重要的演算步骤,只写出最后答案的不能得分;有数值计算时,答案中必须明确写出数值和单位.
11. (15分)(1)B (2)a (3)BC (4)6.3 (6.2~6.4都对,但小数点后只能1位)
(5)电磁感应现象,通电后,铁芯B就相当于一个电磁铁,除了自身的重力外,还受到很大的磁场力作用。
12.(8分)
解:(1)设活塞刚好与卡环接触时环境的温度为T2
气体发生等压变化,根据盖-吕萨克定律有
2分
∴
2分
(2)刚开始时,设气体压强为p1,对活塞受力分析
p1S=p0S+mg
∴
1分
当环境温度为450K时,设气体压强为p3,根据理想气体状态方程有
1分
∴
1分
设卡环对活塞作用力大小为F
p3S=p0S+mg+F
∴F=7.5N 1分
13.(8分)
解:(1)取封闭气体为研究对象,初态压强为p0,温度为T0,顶起瓶塞前瞬间压强为p,温度为T。
其中
1分
等容变化
2分
以上两式得
1分
(2)气体在顶起木塞的过程中,需克服摩擦力、大气压力、自身重力而做功
克服摩擦力做功
1分
克服大气压力做功
1分
克服重力做功
1分
气体顶起木塞做功
即
1分
14.(14分)
解:(1)感应电动势的最大值
2分
(2)平均感应电动势
1分
平均电流
1分
通过电阻R的电荷量
2分
(3)感应电动势的有效值
1分
感应电流的有效值
1分
1min内R上消耗的电能
2分
(4)从此位置开始计时,线圈中电动势的瞬时值表达式
1分
电流的瞬时值表达式
1分
线圈ab边所受安培力的瞬时值表达式
2分
15.(15分)
解:(1)①输电线上损失的功率
1分
而
1分
∴
1分
输电线损失的电压
1分
②降压变压器的输出电流
1分
降压变压器原、副线圈的匝数比
2分
③升压变压器的输出功率为100kW,输出电流I2=I线 1分
∴升压变压器输出的电压
2分
(2)④设输电线中电流为
,降压变压器的输出电流为
降压变压器的原副线圈匝数比
1分
又
1分
由以上两式联立可解得

1分
⑤发电机的输出功率
2分
1、本网站所提供的信息,只供教育教学参考之用。
2、本网站及其会员一概毋须以任何方式就任何信息传递或传送的失误、不准确或错误对用户或任何其他人士负任何直接或间接的责任。
3、在法律允许的范围内,本网站在此声明,不承担用户或任何人士就使用或未能使用本网站所提供的信息或任何链接或项目所引致的任何直接、间接、附带、从属、特殊、惩罚性或惩戒性的损害赔偿。
4、访问者在从事与本网站相关的所有行为(包括但不限于访问浏览、利用、转载、宣传介绍)时,必须以善意且谨慎的态度行事;访问者不得故意或者过失的损害本网站的各类合法权益,不得利用本网站以任何方式直接或者间接的从事违反中华人民共和国法律、国际公约以及社会公德的行为。对于访问者利用本网站提供的信息而作出的任何决策、决定以及其后果,本网站不承担任何责任
5、本网站图片,文字之类版权,本网站无法鉴别所上传图片或文字的知识版权,如果侵犯,请及时通知我们,本网站将在第一时间及时删除。
6、凡以任何方式登录本网站或直接、间接使用本网站资料者,视为自愿接受本网站声明的约束。
徐老师的博客